Einleitung
Ein Optokoppler ist ein kleines, aber sehr wichtiges Bauteil in der Elektronik. Doch was genau macht er, und warum wird er so häufig eingesetzt? In diesem Artikel erfährt man alles, was man wissen muss – einfach und verständlich erklärt.
Definition: Was ist ein Optokoppler?
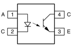
Ein Optokoppler, manchmal auch Optoisolator genannt, ist ein elektronisches Bauteil, das zwei Stromkreise voneinander trennt und gleichzeitig ein Signal überträgt. Das Besondere daran ist, dass die Übertragung nicht über elektrische Leitungen erfolgt, sondern über Licht. Dadurch wird eine galvanische Trennung erreicht, was bedeutet, dass kein direkter Stromfluss zwischen den beiden Schaltkreisen stattfindet.
Wie funktioniert ein Optokoppler?
Die Funktionsweise ist eigentlich ganz einfach:
- Auf der Eingangsseite befindet sich eine LED, die Licht aussendet, sobald Strom fließt.
- Auf der Ausgangsseite sitzt ein Fototransistor oder eine Fotodiode, die dieses Licht erkennt und in ein elektrisches Signal umwandelt.
Durch diese Technik können Signale sicher übertragen werden, ohne dass gefährliche Spannungen von einem Stromkreis auf den anderen gelangen.
Warum ist ein Optokoppler so wichtig?
Ein Optokoppler wird vor allem eingesetzt, um Sicherheit und Schutz zu gewährleisten. Wenn zum Beispiel ein Mikrocontroller mit einem Hochspannungsbereich verbunden werden muss, sorgt der Optokoppler dafür, dass die empfindliche Elektronik nicht beschädigt wird. Außerdem verhindert er Störungen und schützt vor Überspannungen. Als Dienstleister für die elektronische Baugruppenfertigung können wir sagen, dass diese Bauteile sehr häufig zum Einsatz kommen.
Typische Einsatzgebiete von Optoisolatoren
Optokoppler findet man in vielen Geräten und Anwendungen, zum Beispiel:
- Industrieanlagen, um Steuerungen von Hochspannung zu trennen
- Netzteilen, um Rückmeldungen sicher zu übertragen
- Signalübertragung in empfindlichen Schaltungen
- Automatisierungstechnik, wo Sicherheit oberste Priorität hat
Welche Isolationsklassen, bzw. Normen gibt es?
Typischerweise werden Isolationsklassen nach internationalen Standards wie IEC 60747-5-5:2020 (in Deutschland als DIN EN IEC 60747-5-5 VDE 0884-5 umgesetzt) oder ähnlichen Normen definiert. Dabei unterscheidet man zum Beispiel:
- Basis-Isolation: Grundlegender Schutz für normale Anwendungen.
- Verstärkte Isolation: Höherer Schutz für kritische Anwendungen, oft in der Industrie oder Medizintechnik.
- Doppelte Isolation: Maximale Sicherheit, wenn besonders hohe Spannungen isoliert werden müssen.
Die jeweilige Klasse hängt von der Spannungsfestigkeit und dem Anwendungsbereich ab.
Wie findet man den richtigen Optokoppler?
Neben den geforderten Übertragungseigenschaften sollte man bei der Auswahl oder dem Einsatz eines Optokopplers immer auf die Angaben im Datenblatt achten, insbesondere:
- Zertifizierungen nach IEC, UL, VDE
- Isolationsspannung (z. B. 3,75 kV oder 5 kV)
- Kriech- und Luftstrecken gemäß Norm
Typen von Optokopplern
- Fototransistor-Optokoppler: Standard für Signalübertragung.
- Fotodioden-Isolatoren: Für schnelle Übertragungen.
- Foto-TRIAC-Optokoppler: Für AC-Steuerungen und Dimmer.
- Digitale Optoisolatoren: Speziell für digitale Schnittstellen.
- Fotounterbrecher: Für Sensoranwendungen (z. B. Encoder).
Häufig verwendete Optokoppler und deren Einsatzbereich
| Typenbezeichnung | Bauform | Merkmale | Isolationsspannung | Einsatzbereich |
|---|---|---|---|---|
| 4N25 | DIP-6 | Einkanal, Fototransistor | ca. 5000 V | Signaltechnik, Mikrocontroller |
| 4N26 | DIP-6 | Standardanwendungen | ca. 1060 V | Elektronik allgemein |
| 4N28 | DIP-6 | Robust für Industrie | ca. 3750 V | Industrieelektronik |
| PC817 | DIP-4 | Kompakt, kostengünstig | ca. 5000 V | Netzteile, Haushaltsgeräte |
| 6N135 | DIP-8 | Hohe Übertragungsrate | ca. 2500 V | Datenübertragung, Steuerungen |
Besondere Bauformen
Optokoppler gibt es in verschiedenen speziellen Bauformen. Geschlitzte Optokoppler dienen als Sensoren für Bewegung oder Position. Langbauformen bieten extra große Kriech- und Luftstrecken für hohe Isolationsspannungen. SMD-Ausführungen sind platzsparend für Leiterplatten. Mehrkanal-Optokoppler übertragen mehrere Signale in einem Gehäuse. Und Optoisolatoren mit Fototriac eignen sich perfekt zum Schalten von Wechselstromlasten wie Motoren oder Lampen.
Vorteile eines Optokopplers
- Galvanische Trennung für maximale Sicherheit
- Schutz vor Überspannung
- Vermeidung von Störungen
- Einfache Integration in elektronische Schaltungen
Fazit: Warum sollte man Optoisolatoren kennen?
Ein Optokoppler ist ein unverzichtbares Bauteil, wenn es um sichere Signalübertragung geht. Er schützt ihre Elektronik, sorgt für Stabilität und ist in vielen modernen Geräten zu finden. Wenn sie also das nächste Mal ein Schaltbild sehen, achten sie mal darauf – vielleicht steckt dort ein kleiner Isolator, der für große Sicherheit sorgt.
